首页
Home
关于我们
Nav
产品中心
Nav
应用案例
Nav
新闻资讯
Nav
联系我们
Nav
人才招聘
Nav
过滤设备专业生产供应商 为客户创造价值和效益
合作咨询热线:
139-0142-6626
产品详情
分享到:
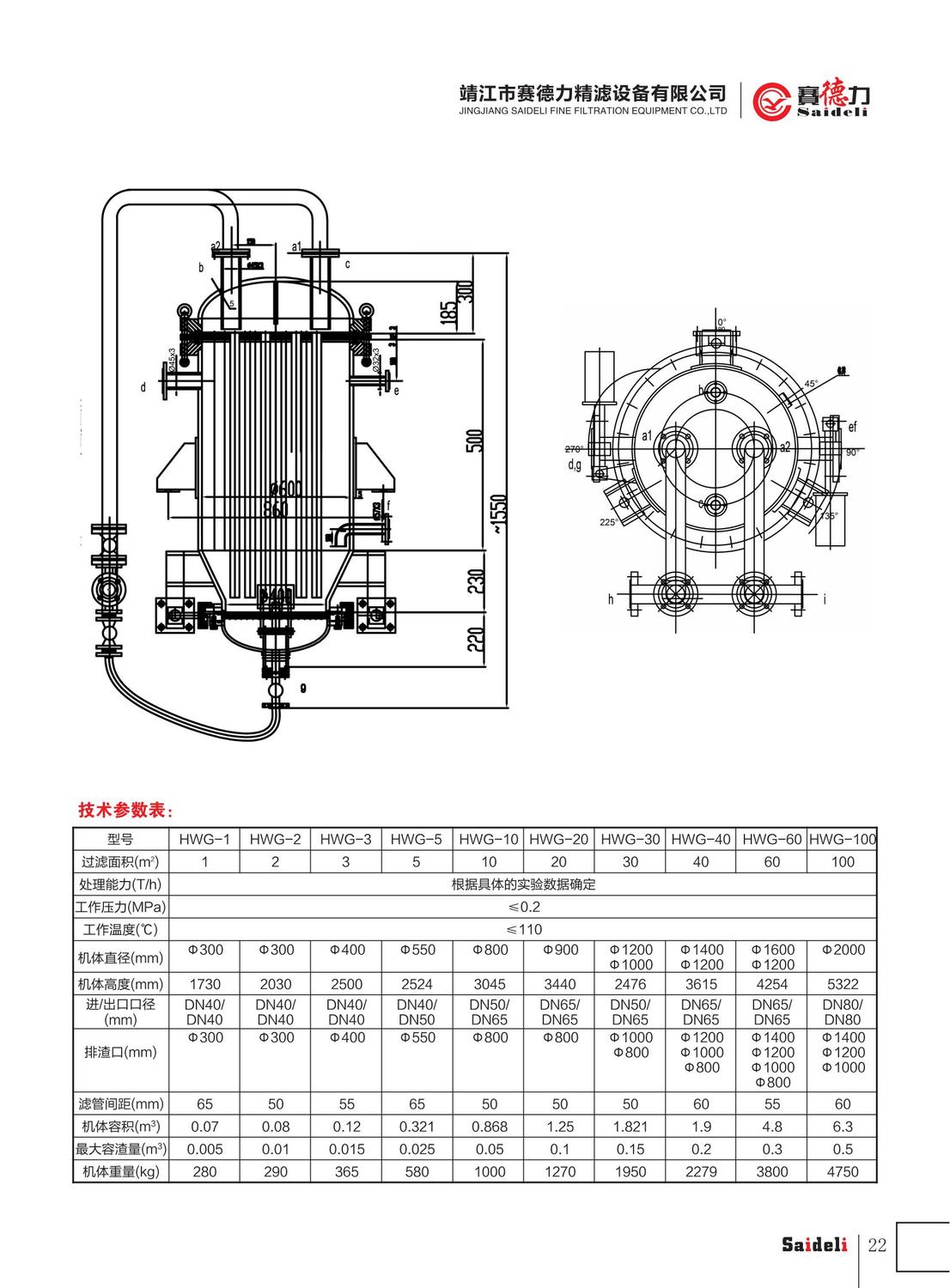
HWG系列过滤器
139-0142-6626
产品详情
靖江市赛德力精滤设备有限公司
专注过滤设备加工生产,为客户创造价值和效益
靖江市靖城镇柏木桥东首300米
18052629768@189.cn
139-0142-6626
180-5262-9768
0523-84592999
——————————————————————————————————————————————————————————————————————————————